BoddingtonsPower Controls logomast
home products about us contact us call us now on 01371 876543
Home > Product Listing > Power Factor Control Relay BLR-CM

Power Factor Control Relay BLR-CM

Power Factor Control Relay BLR-CM 3 PhaseReactive compensation plays a vital part in reducing losses in cables, transformers etc thus reducing CO2 levels. Today’s microprocessor technology allows power factor control relays to accomplish far more functions than ever before. The CM relay provides a highly sophisticated power factor controller together with LCD multi meter display thus saving switchboard and panel space and panel wiring time. All electrical values are measured including harmonics for current and voltage 2nd - 31st. We can also measure import and export of kwh/kvarh. The relay is fitted with an over temperature alarm contact to start up a ventilation fan and faulty capacitor steps are disconnected with an instruction in the display to indicate that this particular step is disconnected. A very important safety device! The CM power factor relay has a complete programmable alarm system as indicated in the paragraph “SUPERVISION” – see download BLR CM 3 Phase pdf.

Standard Features

Fully self commissioning power factor control relay plus LCD display of all measured values including harmonics 2nd - 31st to THD alarm feature

Stored kvar value of each step held in micro processor memory to provide optimum compensation plus shortest switching time

Continual monitoring of capacitor kvar output and number of switching operations of each contactor/ thyristor

Reactive power compensation with recognition and memory storage of each capacitor step

Faulty capacitor step (s) displayed and disconnected

Most suitable kvar compensation selected for each switching step. Unequal kvar values possible for each step

MODBUS RTU available as optional extra with MINISCADA web link

Self commissioning – no C/K control

Multi meter LCD display with indication of current and voltage harmonics 2nd ... 31st

If there is a failure of capacitors, contactors, fuses or over temperature, the alarm will operate and the LCD display will indicate the cause of the alarm. A MODBUS RTU card can be fitted - RS485 and data logging can be undertaken using our MINISCADA which can be connected to the internet by modem/GSM.

Reactive power compensation units are used in companies to save costs and also to reduce the load of the network. This is the cause that there are special requirements for the control units of these compensation panels, the power factor control relays. The most important duty for the power factor control relay is the reliable regulation of reactive power. On the one hand this is reducing costs and on the other hand the current through cables and circuit breakers is also reduced. Another task is to supervise the function of the panel and to signal problems. These tasks are perfectly done by Boddingtons Power Controls power factor control relays with their patented regulation principle. By continuous measuring of the capacitor power the relay is always able to use the step with the optimal size. The programme for regulation is only defined by the choice of the used capacitor sizes. If capacitors, contactors or fuses are damaged, power factor regulators of the BLR-CM series are detecting this and they give an alarm. If necessary this alarm message can also be forwarded by the internal alarm relay.

Regulation

Power Factor Control Relay BLR-CM Regulation imageThe intelligent regulation algorithm from Boddingtons switches the steps optimised and by this it guarantees short compensation times combined with smallest amount of operations. The operating cycles are shared equally to all steps.

All relevant parameters for the regulation are set ex works in the way that in nearly all cases no further adjustments are necessary to start the regulation. But this does not mean that the power factor control relay cannot be adapted to the compensation system by the means of further adjustments.

In the standard menu the following adjustments can be made:

Measurement: current and voltage transformer ratio, rated voltage

CT and PT ratio are only necessary display the correct measurement values. The setting for rated voltage is needed for over and under-voltage protection.

Regulation: target cosphi 1, target cosphi 2, switching time delay

Switchover from target cosphi 1 to target cosphi 2 is done by programmable events. This can either be the digitalinput or exceeding of threshold levels.

Adjustments for every step: rated value, discharging time, regulated on fix, off fix. The expert mode allows many further extensive settings.

Measuring

Power Factor Control Relay BLR-CM Measuring imageBy means of the measurement values of voltage and current BLR-CM calculates the conditions in the network. As standard, the voltage L1-N and current in L1 is used. The separation of the auxiliary voltage and voltage measuring allows a voltage measuring range between 50-350V. Additionally, there is the possibility to change the phase shift between voltage and current in steps of 15 degrees. The result is the maximum possible flexibility of the relay for applications with voltage measuring phase/neutral, phase/phase and for mixed measuring with different transformer types.

The CM measures the temperature in the panel by using the integrated temperature sensor. This measurement value can be handled flexible eg it can be used for an alarm message. By the means of the digital output an additional fan can be activated. The CM power factor relay display the following measurement values:

Voltage (phase/phase and phase/neutral

Current

Active power

Reactive power

Apparent power

THD voltage

THD current

Harmonics for voltage (order 2-31)

Harmonics for current (order 2-31)

Counter active work import / export

Counter reactive work inductive / capacitive

Missing reactive power for target cosphi

Frequency

temperature

Features

All relays are fitted with these features as standard:

Auxiliary voltage separate from voltage measuring

Auxiliary voltage: 115/230V, 45-65Hz

Voltage measuring: 1 x 50 – 530V

Current measuring: 1 x 15mA – 5A

Relay output alarm: 1 x C/O contact

Digital input: 1 x 50 – 250V AC

Digital output: 1 x N/O contact

Sensor for temperature measuring

Types of different switching outputs:

CM06R – 6 stages (one common point) // CM12R – 12 stages (one common point) // CM06T – 6 static outputs (one common point) // CM12T – 12 static outputs (one common point) // CM12RT – 6 static outputs, 6 relays (two separate common points). Optional features : MB: RS485 with MODBUST RTU protocol.

Different auxiliary voltage on request.

Power Factor Control Relay BLR-CM Supervision imageSupervision

The CM relay includes a lot of different supervision functions to guarantee a durable safe operation of the compensation system and to ensure a long life cycle of the used components. Some of these supervising functions are: under and over voltage; harmonics; defective steps; maintenance (loss of power and amount of operations); alarm by not reaching the target cosphi; temperature measuring with fan control and switching off steps; digital input.

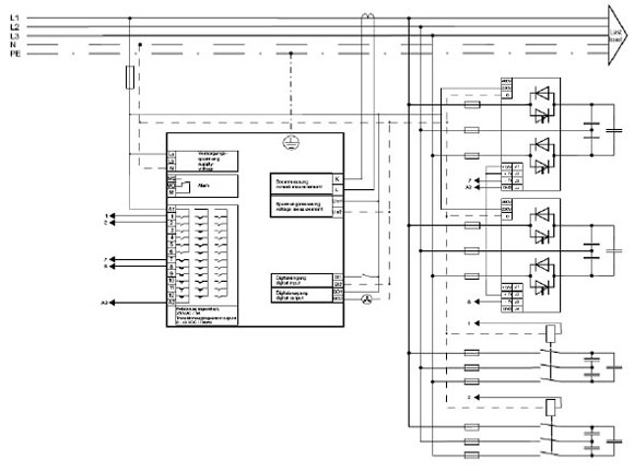
Power Factor Control Relay BLR-CM Connections image

Power Factor Control Relay BLR-CM Dimensions imageTechnical Data

Auxiliary voltage: 100-132V / 207-253V, 45-65Hz, max fuse 6A

Voltage measuring: 50-530V, 45-65Hz, PT ratio 1-350

Current measuring: 0-5A, sensitivity 15mA, burden 15mOhm, overload 20% continuous, CT ratio 1-4000

Regulation outputs: 6R, 12R, 6T, 12T, 12RT

Relays: N/O, one common point, max, fuse 6A, breaking

Capacity 250V AC / 5A

Static outputs: open collector, braking capacity: 8 – 48V DC / 100mA

Alarm contact: C/O volt free programmable

Max fuse 6A, breaking capacity 250V AC / 3A

Digital output: N/O, volt free programmable

Max fuse 6A, breaking capacity 250V AC / 5A

Interface: RS485 (optional) MODBUS RTU protocol (Slave)

Ambient temperature: operation: 0°C ... + 70°C, storage: -20°C ... +85°C

Humidity: 0% - 95% without moisture condensation

Over voltage class: ll, pollution degree 3(DIN VDE 0110, Teil 1/IEC 60664-1)

Standards: DIN VDE 0110 Teil1(IEC 60664-1:1992)

VDE 0411 Teil1 (DIN EN 61010-1/IEC 61010-1:2001)

VDE 0843 Teil 20 (DIN EN 61326/IEC 61326: 1997 + A1:

1998 + A2:2000)

Conformity and listing: CE, UL, cUL

Terminals: screw-type, pluggable, max 2.5qmm

Casing: Front: instrument casing plastic (UL94-VO), rear: metal

Protection class: front: IP54, rear: IP20

Weight: Each 0.8kg

Dimensions: 144 x 144 x 58mm h x w x d, cutout 138mm x 138mm

Download the BLR-CM leaflet PDF

Back to top

Home > Product Listing > Power Factor Control Relay BLR-CM 3 Phase